《木地板企业等级划分规范》已正式实施
随着民居条件改善,出现了良好的木地板市场需求,我国现有地板企业数千家,大小不一良莠不齐。为促进行业健康良性发展,加快地板产业结构调整,2013年6月《商务部办公厅关于下达2013年流通行业标准项目计划的通知》(商办流通函[2013]第621号),将《木地板企业等级划分规范》列入2013年标准制定计划,并授权中国木材与木制品流通协会地板专业委员会组织起草,该标准顺利通过专家审定,于2015年正式实施。
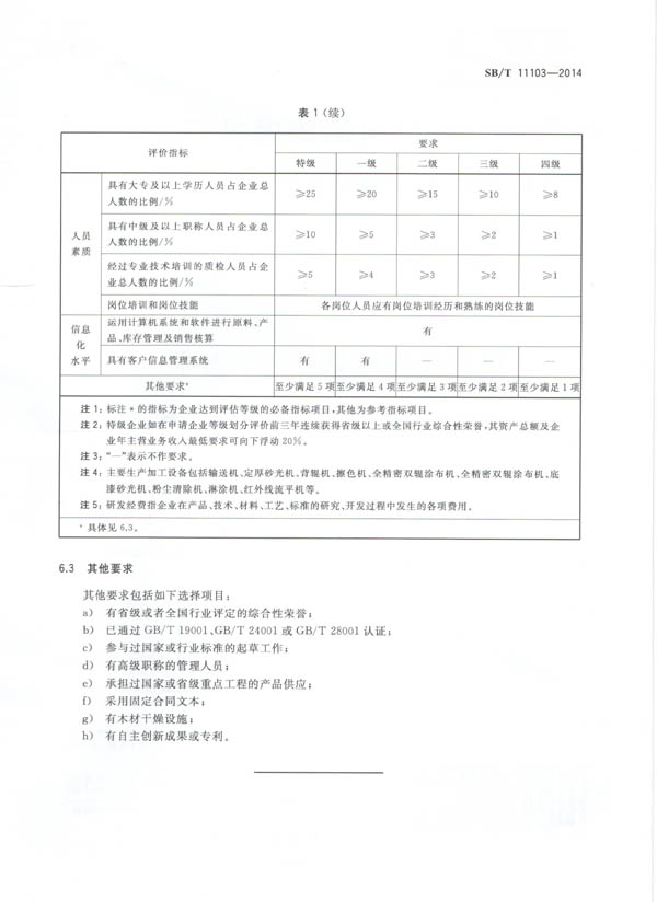
《木地板企业等级划分规范》标准适用于木质含竹地板企业,标准涉及木地板企业的等级划分、等级划分的依据、等级划分的评定指标。该标准将主要依据企业的产品质量、经营状况、资产、设备设施、管理及服务、品牌影响力、人员素质、信息化水平等因素,将木地板企业划分为不同等级,有特级、一级、二级、三级4个等级,特级为最高等级。
地板企业等级划分规范的发布有利于加强中国地板行业管理,加快产业结构调整,推进节能减排,保护生态环境,规范地板行业的投资行为和生产经营秩序,推进地板企业诚信体系建设,具有十分重要和深远的意义。








